참여/알림마당
질의응답
- 저속한 표현, 특정인 비방, 상업적 내용, 불법선거 등은 예고 없이 삭제될 수 있습니다.
- 주민번호 등 개인정보는 사생활 침해나 부당하게 이용될 수 있으니 주의하시기 바랍니다.
정보통신망 이용 촉진 및 정보보호등에 관한 법률 제44조
제목
ACCUMULATOR 설치에 따른 질의
작성자
손완승
등록일
2021-01-15
조회수
1372
내용
▶ 평소 협조에 감사드립니다.
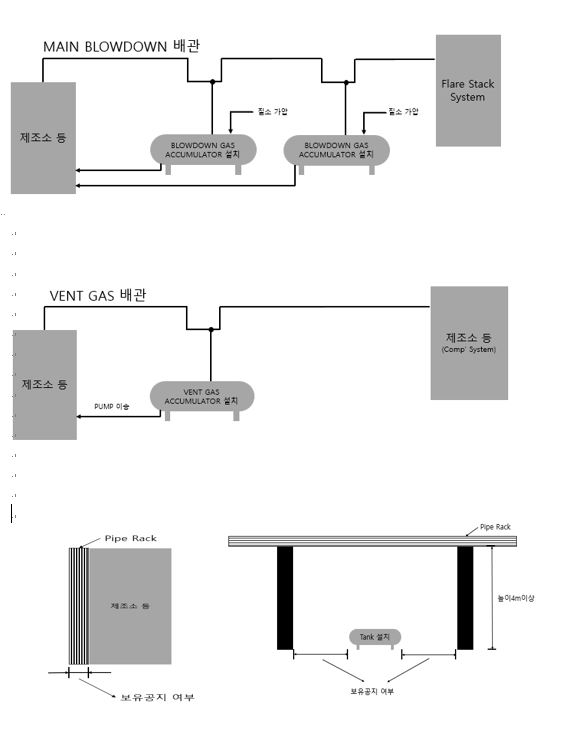
질의1. 후레아스텍 MAIN BLOWDOWN 배관 하부 ACCUMULATOR 신설 시
석유화학 공정에서 긴급 시 배출되는 BLOWDOWN GAS를 안전하게 소각하는 후레아스텍을
연결하는 MAIN BLOWDOWN GAS 배관에 거리 및 고저차로 인한 내부 응축물을 안전하게
회수하여 공정으로 돌려 보내기 위해 아래 도면과 같이 공정 외 지역 MAIN BLOWDOWN
GAS 배관 하부에 ACCUMULATOR를 설치할 경우
① ACCUMULATOR 용량이 지정배수를 초과할 경우 위험물 설비로 보는지의 여부
② 위험물 설비로 본다면 어떤 종류의 허가를 받아야(일반취급소, 저장소)되는지의 여부
질의2. VENT GAS 배관 하부 ACCUMULATOR 신설 시
석유화학 공정에서 발생되는 VENT GAS를 포집하여 COMPRESSOR로 보내기 위한 VENT GAS 배관에 거리 및 고저차로 인한 내부 응축물을 안전하게 회수하여 공정으로 돌려 보내기 위해 아래 도면과 같이 공정 외 지역 VENT GAS 배관 하부에 ACCUMULATOR를 설치할 경우
① ACCUMULATOR 용량이 지정배수를 초과할 경우 위험물 설비로 보는지의 여부
② 위험물 설비로 본다면 어떤 종류의 허가를 받아야(일반취급소, 저장소)되는지의 여부
질의3. MAIN PIPE RACK을 보유공지로 볼 수 있는지 여부
① 석유화학 공정의 MAIN PIPE RACK 하부를 보유공지로 볼 수 있는지의 여부
② MAIN PIPE RACK 하부 AREA 내에 설치된 경우에 보유공지로 인정 유무
질의1. 후레아스텍 MAIN BLOWDOWN 배관 하부 ACCUMULATOR 신설 시
석유화학 공정에서 긴급 시 배출되는 BLOWDOWN GAS를 안전하게 소각하는 후레아스텍을
연결하는 MAIN BLOWDOWN GAS 배관에 거리 및 고저차로 인한 내부 응축물을 안전하게
회수하여 공정으로 돌려 보내기 위해 아래 도면과 같이 공정 외 지역 MAIN BLOWDOWN
GAS 배관 하부에 ACCUMULATOR를 설치할 경우
① ACCUMULATOR 용량이 지정배수를 초과할 경우 위험물 설비로 보는지의 여부
② 위험물 설비로 본다면 어떤 종류의 허가를 받아야(일반취급소, 저장소)되는지의 여부
질의2. VENT GAS 배관 하부 ACCUMULATOR 신설 시
석유화학 공정에서 발생되는 VENT GAS를 포집하여 COMPRESSOR로 보내기 위한 VENT GAS 배관에 거리 및 고저차로 인한 내부 응축물을 안전하게 회수하여 공정으로 돌려 보내기 위해 아래 도면과 같이 공정 외 지역 VENT GAS 배관 하부에 ACCUMULATOR를 설치할 경우
① ACCUMULATOR 용량이 지정배수를 초과할 경우 위험물 설비로 보는지의 여부
② 위험물 설비로 본다면 어떤 종류의 허가를 받아야(일반취급소, 저장소)되는지의 여부
질의3. MAIN PIPE RACK을 보유공지로 볼 수 있는지 여부
① 석유화학 공정의 MAIN PIPE RACK 하부를 보유공지로 볼 수 있는지의 여부
② MAIN PIPE RACK 하부 AREA 내에 설치된 경우에 보유공지로 인정 유무
첨부파일
첨부도면.JPG
(다운로드 수: 532)
다음 글
